Hukum Ohm
Hukum Ohm mengatakan bahwa dalam rangkaian listrik, arus yang melewati resistor antara dua titik, terkait dengan perbedaan tegangan antara dua titik, dan terkait dengan hambatan listrik antara dua titik.
Contoh) R = V I {\displaystyle R={\frac {V}{I}}}}
Di mana I adalah arus dalam ampere, V adalah perbedaan potensial dalam volt, dan R adalah konstanta, diukur dalam ohm, yang disebut resistansi.
Arus berbanding lurus dengan kehilangan tegangan melalui resistor. Artinya, jika arus berlipat ganda, maka begitu juga tegangannya. Untuk membuat arus mengalir melalui sebuah hambatan harus ada tegangan yang melintasi hambatan itu. Hukum Ohm menunjukkan hubungan antara tegangan (V), arus (I) dan hambatan (R). Ini bisa ditulis dalam tiga cara:
I = V R atau V = I R atau R = V I {\displaystyle I={\frac {V}{R}}}\quad {\text{atau}}}\quad V=IR\quad {\text{atau}}}\quad R={\frac {V}{I}}}} .
Pernyataan hukum Ohm-Hukum Ohm menyatakan "arus yang mengalir dalam konduktor berbanding lurus dengan beda potensial yang diterapkan melintasi ujung-ujungnya asalkan kondisi fisik dan suhu konduktor tetap konstan".
Arus, Tegangan, dan Resistensi
Tegangan
Tegangan adalah seberapa besar energi antara dua titik pada suatu rangkaian. Kedua titik ini memiliki muatan yang berbeda, satu lebih tinggi dan yang lainnya lebih rendah. Perbedaan antara dua titik muatan ini adalah bagaimana kita mengukur tegangan. Satuan "volt" adalah nama fisikawan Italia Alessandro Volta yang menciptakan baterai kimia pertama. Huruf "V" mewakili tegangan.
Saat ini
Arus adalah seberapa cepat muatan mengalir. Semakin tinggi muatannya, semakin cepat arusnya. Arus berkaitan dengan elektron yang mengalir dalam suatu rangkaian. Arus mengukur seberapa cepat elektron mengalir. Satuan arus adalah "ampere", dan biasanya, seseorang menuliskannya sebagai "amp". Huruf "I" dapat mewakili sebagai arus.
Perlawanan
Resistensi adalah seberapa besar rangkaian menahan aliran muatan. Ini memastikan muatan tidak mengalir terlalu cepat dan merusak komponen. Dalam sebuah rangkaian, bola lampu bisa menjadi resistor. Jika elektron mengalir melalui bola lampu, maka bola lampu akan menyala. Jika resistansi tinggi, maka lampu akan lebih redup. Satuan resistansi adalah "Ω", yang disebut omega, dan diucapkan "ohm", itu adalah nama penemu hukum Ohm.
Bagaimana Arus, Tegangan, dan Resistansi terkait
Arus, Tegangan, dan Hambatan saling terkait, yang disebut sebagai "hukum Ohm". Ohm mendefinisikan satuan resistansi "1 Ohm" sebagai resistansi antara dua titik dalam konduktor di mana penerapan 1 volt akan mendorong 1 ampere, atau 6,241 × 10 ^ 18 elektron.
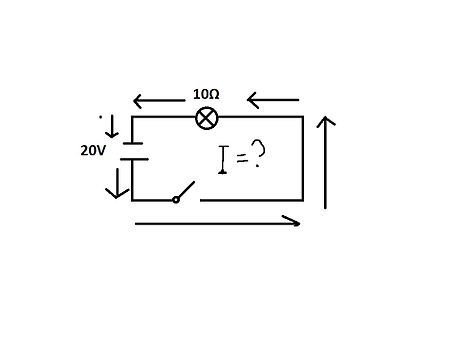
Temukan semua nilai dalam sirkuit

Misalnya, seorang ilmuwan tahu bahwa nilai tegangan adalah 20V. Resistansi diketahui, yang ada di bola lampu, adalah 10 Ω. Sekarang kita perlu menemukan variabel lain yang tidak diketahui, yaitu arus. Rumus hukum Ohm dapat digunakan untuk menyelesaikannya. Dengan dua variabel yang diketahui, V (tegangan) dan R (resistansi), satu-satunya variabel yang tersisa untuk ditemukan adalah I (arus).
20V= 10Ω * I
I = 2A
Dalam suatu masalah, seorang ilmuwan selalu mendapatkan informasi yang cukup untuk menyelesaikan nilai lainnya, satu-satunya hal yang harus dihafal oleh seorang ilmuwan adalah rumus hukum Ohm. Kemudian digunakan dengan apa yang diberikan untuk menyelesaikan bagian yang tidak diketahui. Dalam contoh di atas, arusnya adalah 2 amp.
Pertanyaan dan Jawaban
T: Apa yang dimaksud dengan hukum Ohm?
J: Hukum Ohm menyatakan bahwa dalam rangkaian listrik, arus yang melewati sebuah resistor berhubungan dengan perbedaan tegangan dan hambatan listrik antara kedua sisi, selama kondisi fisik dan suhu konduktor tetap konstan.
T: Bagaimana hukum Ohm dapat dituliskan?
J: Hukum Ohm dapat ditulis dalam tiga cara tergantung pada variabel mana yang ditempatkan di sebelah kiri tanda sama dengan: I = V/R, V = IR atau R = V/I.
T: Apa kepanjangan dari I?
J: I adalah singkatan dari arus dalam ampere.
T: Apa kepanjangan dari V?
J: V adalah singkatan dari perbedaan potensial dalam volt.
T: Apa kepanjangan dari R?
J: R adalah singkatan dari resistansi, diukur dalam ohm.
Cari di dalam ensiklopedia